
The Volvo Group (Swedish: Volvokoncernen; legally Aktiebolaget Volvo, shortened to AB Volvo) (stylized as VOLVO) is often a Swedish multinational manufacturing company headquartered in Gothenburg. While its core activity will be the production, distribution and sale of trucks, buses and construction equipment, Volvo also supplies marine and industrial drive systems and financial services. In 2016, it had been the world's second largest manufacturer of heavy-duty trucks.Automobile manufacturer Volvo Cars, also operating out of Gothenburg, was section of AB Volvo until 1999, when it absolutely was sold towards the Ford Motor Company. Since 2010 it is often owned by the Geely Holding Group, a Chinese multinational automotive manufacturing company. Both AB Volvo and Volvo Cars share the Volvo logo and cooperate in running the Volvo Museum in Sweden.The company was initially listed around the Stockholm Stock Exchange in 1935, and was about the NASDAQ indices from 1985 to 2007.Volvo was established in 1915 to be a subsidiary of SKF, a ball bearing manufacturer; however their Volvo Group and Volvo Cars regard the rollout from the company's first car series, the Volvo ÖV 4, on 14 April 1927, as his or her beginning. The building remains.The name brand Volvo was originally registered being a trademark in May 1911 while using intention to be utilized for a new compilation of SKF ball bearings. It means "I roll" in Latin, conjugated from "volvere". The idea was short-lived, and SKF thought we would simply use its initials since the trademark for everyone its bearing products.In 1924, Assar Gabrielsson, an SKF sales team leader, plus a KTH Royal Institute of Technology educated engineer Gustav Larson, both the founders,[clarification needed] made a decision to start construction of your Swedish car. They designed to build cars that may withstand the rigors on the country's rough roads and cold temperatures.AB Volvo began activities on 10 August 1926. After one full year of preparations relating to the production of ten prototypes, the firm was able to commence the car-manufacturing business inside the SKF group. The Volvo Group itself considers it began in 1927, in the event the first car, a Volvo ÖV 4, rolled over production line with the factory in Hisingen, Gothenburg. Only 280 cars were built that year. The first truck, the "Series 1", debuted in January 1928, being an immediate success and attracted attention away from country. In 1930, Volvo sold 639 cars, and also the export of trucks to Europe started shortly after; the cars wouldn't become popular outside Sweden until after World War II. AB Volvo was introduced with the Stockholm Stock Exchange in 1935 and SKF then chose to sell its shares within the company. By 1942, Volvo acquired the Swedish precision engineering company Svenska Flygmotor (later renamed as Volvo Aero).Pentaverken, that have manufactured engines for Volvo, was acquired in 1935, providing a good supply of engines and entry in to the marine engine market.The first bus, named B1, was already released in 1934, and aircraft engines were added for the growing range of products in the beginning on the 1940s. In 1963, Volvo opened the Volvo Halifax Assembly plant, the primary assembly plant within the company's history over and above Sweden in Halifax, Nova Scotia, Canada.In 1950, Volvo acquired the Swedish construction and agricultural equipment manufacturer Bolinder-Munktell. Bolinder-Munktell was renamed as Volvo BM in 1973. In 1979, Volvo BM's agricultural equipment business was sold to Valmet. Later, through restructuring and acquisitions, the residual construction equipment business became Volvo Construction Equipment.
Related Images with Volvo D13 Fault Codes List \u2013 Car Image Idea
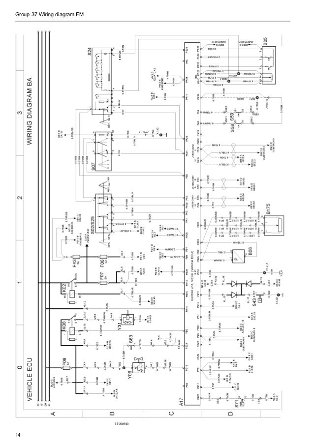
Volvo D13 Wiring Volvo A25 ~ Elsavadorla
Volvo Error code mid 128 pid 95 fmi 4

Volvo D13 Engine Fault Codes ImageResizerTool.Com

Komentar
Posting Komentar